Uudistamme kotisivujamme ja sisältö on vielä työn alla. Pahoittelemme tilannetta. Jos et löydä etsimääsi, voit olla yhteydessä meihin: myynti@wavin.com

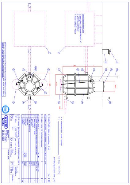
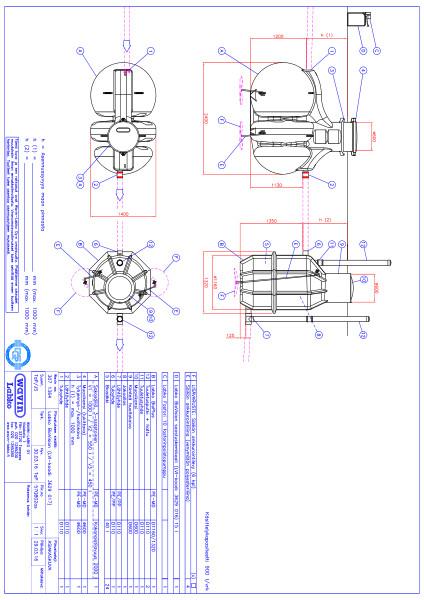
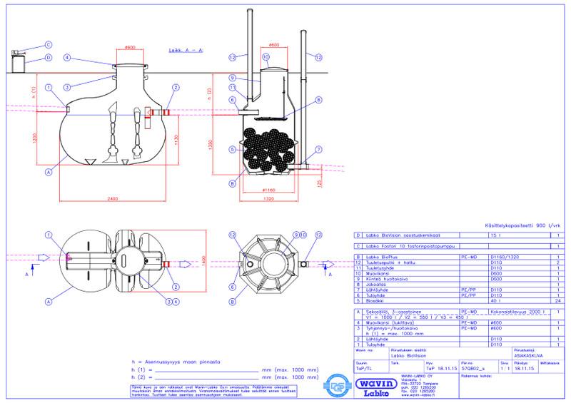
BioVision ja BioPlus puhdistamot

Labko BioVision on jatkuvatoiminen biologis-kemiallinen puhdistamojärjestelmä mustien ja harmaiden jätevesien kustannustehokkaaseen yhteiskäsittelyyn. Labko BioPlus on Suomen markkinoiden ainoa CE-merkitty saneerauspuhdistamo. Katso pienpuhdistamoihin liittyvät ladattavat tiedostot [https://www.wavin.com/fi-fi/Tiedostot?systems=S256] ja tutustu jätevedet.fi [https://www.jatevedet.fi/] -sivustoomme.