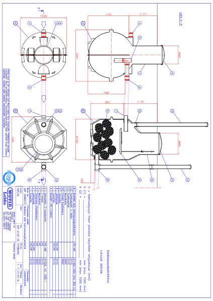
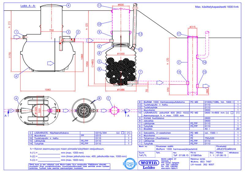
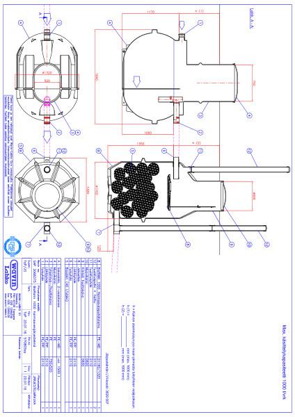
BioRami 600 harmaavesipuhdistamo
BioRami 600 harmaavesipuhdistamo on ratkaisu omakotitalojen ja ympärivuotisesti asuttujen vapaa-ajan kiinteistöjen harmaiden vesien käsittelyyn. -kaksiosastoisen saostussäiliön tilavuus 1000 litraa -käsittelykapasiteetti 600l/vrk -mitoitettu 1-5 henkilön talouksille -korvaa maapuhdistamon imeytyskentän -mustat wc-vedet tulee ohjata erilliseen järjestelmään, kuten umpisäiliöönTuotetunnisteet
Wavin tuotenumero
EAN6415836290060
LVI-numero3629006
Sähkönumero
SAP3068373













