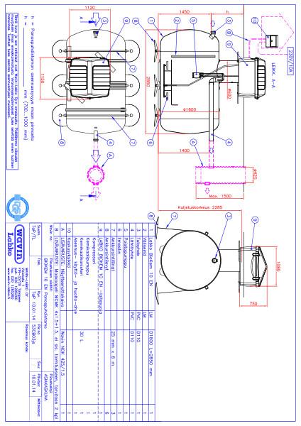
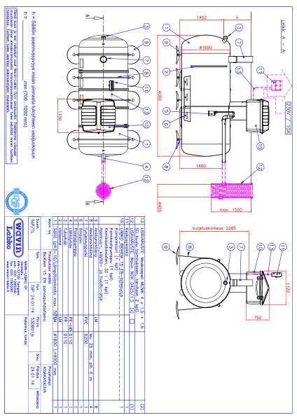
BioKem 6 EN Panospuhdistamo
BioKem-pienpuhdistamot ovat biologis-kemiallisia jäteveden puhdistamoita, joihin johdetaan kiinteistön kaikki jätevedet. Ne on tarkoitettu haja-asutusalueilla olevien ympärivuotisesti asuttujen kiinteistöjen jätevesien puhdistusjärjestelmiksi. Puhdistamossa käytetään BioKem -saostuskemikaalia (lvi-nro 3629161). Labko BioKem -pienpuhdistamoihin sisältyy prosessisäiliö, tilava huoltokaivo, laitesuoj...Tuotetunnisteet
Wavin tuotenumero
EAN6415836291210
LVI-numero3629121
Sähkönumero
SAP6101762













