Labko BioVision
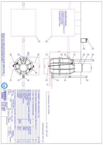
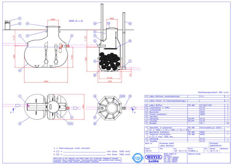
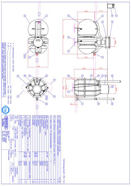
Labko Biovision on biologis-kemiallinen jatkuvatoiminen biosuodatin kotitalouksien kaikkien jätevesien jätevesiasetuksen mukaiseen käsittelyyn. Järjestelmään kuuluu: 2m3 SAKO Vision-säiliö, BioPlus -puhdistamo ja Fosfori 10 -pumppu. Kemikaalina käytetään BioVision -saostuskemikaalia (lvi-nro 3629016). -vie vähän tilaa, ei tarvitse maapuhdistamokenttää -saostussäiliö tyhjennetään 1-2 kertaa vuodes...Tuotetunnisteet
Wavin tuotenumero
EAN6415836290176
LVI-numero3629017
Sähkönumero
SAP3071364
Lataukset järjestelmästä

Cad-piirustus
Lupakuva BioVision
TEKNINEN PIIRRUSTUS

Cad-piirustus
Tuotekuva - BioVision
TEKNINEN PIIRRUSTUS







